TMTECK DSC Distance/Sensitivity ultraosnic Calibration Block,test block,1018 steel test block
Detail Information
| Product: | DSC Distance/ Sensitivity Calibration Block | Material: | 1018 Steel, Aluminum, Stainless |
|---|---|---|---|
| Standard: | ASTM E164-2013 | Type: | NDT Accessories |
| High Light: |
hardness calibration blocksiiw type 2 calibration block |
||
Product Description
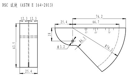
ASTM E164-2013 DSC Distance/ Sensitivity Calibration Block
Specifications:
Specifications:
ASTM E164-2013
Calibration Function:
Straight Beam: distance, amplitude. Angle Beam: index point, sound path angle (45°-70°),distance, sensitivity.



