Steady, stable, and reproducible hardness measurement allowed by the flexible joint system.
The problem with manually measuring the hardness of a rubber specimen is that the results may vary with the operator. The CL-150 series eliminates such variations. The flexible joint system makes the pressure foot of the durometer contact perfectly with the test piece and thus enables a precise and reproducible measurement. Furthermore, the models may be used for durometers requiring various measuring loads by replacing the weight.

Features
Measuring pressure load

The durometer’s pressure force to the test piece is kept constant with the static load comprised of the weight, joint, and mechanical part.
Measuring pressure speed
Pressure speed to the test piece is also kept constant with using the up-down lift with air damper. The speed may be changed using the adjusting knob. Unlike models with a hydraulic damper, this loader is free from oil spills and requires no oil feeding.
Flexible joint system

The flexible joint system enables firm contact of the pressure foot with the surface of the test piece, even if the surface is inclined.
Weight replacement
5000g
Weight replacement
May be used as CL-150L for 1000g measuring load by adding L weight and L Flexible Joint.
Others
Attachable to analog and digital Asker durometers.
Specifications
- Load Stand dimension (mm)
- 150W×180D×Max. 430H
- Table dimension (mm)
- 150W×140D
- Depth from measuring point (mm)
- 70
- Weight (kg)
- 12
- ASKER durometer
- D(DL), JC(JCL), CS
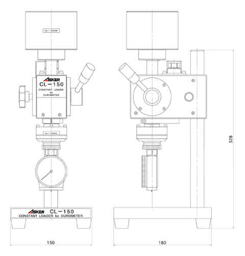
Outer dimensions (mm)

Optional accessories

Flexible Joint for Light Load
CL-150LJ

Non-flexible Small Joint
CL-150SJ

